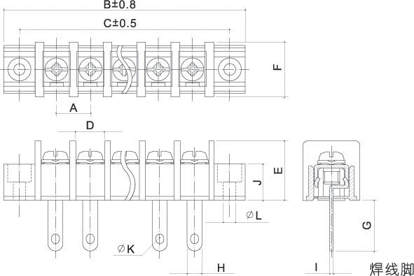
| 型号 | A | B | C | D | E | F | G | H | I | J | K | L |
| CDA-762 | 7.62 | 7.62x(P+2) | 7.62x(P+1) | 6 | 15.3 | 13.8 | 9 | 3 | 0.8 | 8.5 | ø1.4x2.6 | ø3.5 |
| CDA-825 | 8.25 | 8.25x(P+2) | 8.25x(P+1) | 6.5 | 15.3 | 13.8 | 9 | 3 | 0.8 | 8.5 | ø1.4x2.6 | ø3.5 |
| CDA-950 | 9.5 | 9.5x(P+2) | 9.5x(P+1) | 7.6 | 18 | 16.5 | 12.5 | 3.6 | 0.8 | 10 | ø2x2.6 | ø3.5 |
| CDA-100 | 10 | 10x(P+2) | 10x(P+1) | 8.2 | 18 | 16.5 | 12.5 | 3.6 | 0.8 | 10 | ø2x2.6 | ø3.5 |
| CDA-110 | 11 | 11x(P+2) | 11x(P+1) | 9.2 | 18 | 16.5 | 13.5 | 4 | 1 | 10 | ø2.5 | ø4 |
上一个:暂无
下一个:暂无
下一个:暂无


在线客服
在线客服